RV關節減速機的工作原理是采用擺線針輪減速結構的高精密控制用減速器,可以獲得良好的加速性能,實現平穩運轉和獲得正確的位置精度。它是一種兩級減速機構,由漸開線行星齒輪傳動和擺線針輪傳動構成,屬于曲柄式封閉差動輪系,具有并聯結構與多齒嚙合約束的結構特點。
RV關節減速機型號如下,不同廠家型號表示方式之間有差異,具體型號可咨詢客服了解
| HRV40E-57-B | HRV40E-3A-57-B |
| HRV40E-81-B | HRV40E-3A-81-B |
| HRV40E-105-B | HRV40E-3A-105-B |
| HRV40E-121-B | HRV40E-3A-121-B |
| HRV40E-153-B | HRV40E-3A-153-B |
RV-E系列減速器特點
1.傳動比范圍大。
2.扭轉剛度大。輸出機構為兩端支承的行星架,其扭轉剛度遠大于一般擺線針輪行星減速機的輸出機構。在額定轉矩下,彈性回差小。
3.設計合理、制造和裝配精度得到保證時,可實現高精度和小間隙回差。
4.傳動效率高。
5.體積小,重量輕。由于第一級為行星輪傳動,第二級為擺線針輪多齒嚙合傳動,同時傳動機構可置于行星架的支承軸承內,使軸向尺寸大為縮減,故體積大為減小。

RV關節減速機使用場景:
工業機器人:RV關節減速機是工業機器人中的關鍵部件,用于精確控制機器人的關節運動。
數控機床:需要精確傳動和定位的設備經常采用諧波減速機。
航空航天與軍工領域:由于其對精度和可靠性的高要求,這些領域也常采用機器人減速器。
醫療設備:需要精確控制和高可靠性的醫療設備中也會應用到。
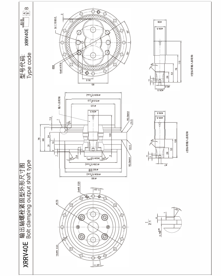
RV-40E、裝配輸入齒輪注意事項
RV-40E的行星輪是2個,裝配輸入齒輪時請特別注意。輸入齒輪要徑直插入。
與行星輪的相位不相吻合時,請沿圓周方向稍稍變換角度插入,并確保電機法蘭面不傾斜和緊密接觸。嚴禁用螺栓等擰進。若法蘭面傾斜時,有可能造成左下圖12所示的狀態。若法蘭面不傾斜時,有可能造成右下圖13所示的狀態。

減速機的運行原理是利用齒輪傳動的原理來實現輸入軸的高速旋轉運動降速并增加扭矩。這種屬于齒輪減速電機,他的內部裝有多個齒輪,其中至少有兩個齒輪相互咬合。輸入軸的齒輪(也稱為驅動齒輪)與輸出軸的齒輪(也稱為從動齒輪)通過齒輪的咬合傳遞動力。由于輸出軸的齒輪的尺寸較大,相對于輸入軸的齒輪,輸出軸的轉速會降低,而扭矩會增加。這使得減速機能夠提供更大的輸出扭矩。通過齒輪傳動,減速機將高速、低扭矩的輸入轉換為低速、高扭矩的輸出。
購買須知:我司VEMTE品牌所有系列產品,標準常用的,倉庫均備有現貨2000臺左右,非常用的需排單定做,請聯系客服咨詢貨期。凡購買我司品牌VEMTE系列產品,不分價格高低,保修期內非人為原因返回廠家維修或者是快遞零部件給用戶自己更換。兩年后免費維修,只收取零件成本費用。因各種設備企業對產品的要求標準不同,如果您的設備是出口的,請告知客服轉接我司VEMTE工程部,告知您的高標準,我們VEMTE工程部會為您量身定做百分百符合要求的產品。
更多機器人關節RV減速機型號請查看http://www.vem2.com



