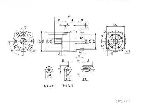
NE120系列精密行星減速器型號尺寸與圖紙
NE120系列精密行星減速器型號如下,不同廠家的行星減速機型號表示方式之間有差異,具體型號可咨詢客服了解,或者直接撥打我們的聯系方式。
NE120系列超精密背隙行星減速機系列(P0): NE120系列精密背隙行星減速器系列(P1): NE120系列標準背隙行星減速機系列(P2):
NE120-4-S2-P0 ,NE120-4-S2-P1,NE120-4-S2-P2,
NE120-5-S2-P0,NE120-5-S2-P1,NE120-5-S2-P2,
NE120-7-S2-P0,NE120-7-S2-P1,NE120-7-S2-P2,
NE120-10-S2-P0,NE120-10-S2-P1,NE120-10-S2-P2,
NE120-16-S2-P0 ,NE120-16-S2-P1,NE120-16-S2-P2,
NE120-20-S2-P0,NE120-20-S2-P1,NE120-20-S2-P2,
NE120-25-S2-P0,NE120-25-S2-P1,NE120-25-S2-P2,
NE120-35-S2-P0,NE120-35-S2-P1,NE120-35-S2-P2,
NE120-40-S2-P0,NE120-40-S2-P1,NE120-40-S2-P2,
NE120-50-S2-P0,NE120-50-S2-P1,NE120-50-S2-P2,
NE120-70-S2-P0,NE120-70-S2-P1,NE120-70-S2-P2,
NE120-100-S2-P0,NE120-100-S2-P1,NE120-100-S2-P2,

行星減速機在工業機械領域是個常客,它可以幫助調節電機的轉速和扭矩,提高動力傳遞效率。制動系統:在再生制動時,起到輔助調節的作用。轉向系統:為轉向機構提供精準的動力支持。如果想了解更多有關行星減速機的,請打開鏈接http://www.vem2.com/jsj/xxjsj/ 或者直接撥打我們首席技術人員13113069953(黃工)微信同號哦。



