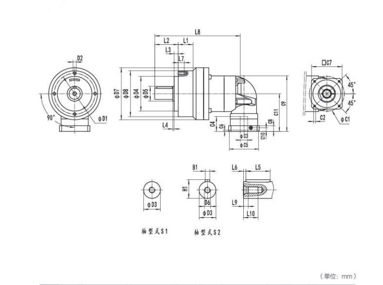
NER205系列精密行星減速器型號尺寸與圖紙
NER205系列精密行星減速器型號如下,不同廠家的行星減速機型號表示方式之間有差異,具體型號可咨詢客服了解,或者直接撥打我們的聯系方式。
NER205系列超精密背隙行星減速機系列(P0): NER205系列精密背隙行星減速器系列(P1): NER205系列標準背隙行星減速機系列(P2):
|
NER205超精密背隙行星減速機(P0)
|
NER205精密背隙行星減速機(P1)
|
NER205標準背隙行星減速機(P2)
|
|
NER205-4-S2-P0
|
NER205-4-S2-P1
|
NER205-4-S2-P2
|
|
NER205-5-S2-P0
|
NER205-5-S2-P1
|
NER205-5-S2-P2
|
|
NER205-7-S2-P0
|
NER205-7-S2-P1
|
NER205-7-S2-P2
|
|
NER205-10-S2-P0
|
NER205-10-S2-P1
|
NER205-10-S2-P2
|
|
NER205-16-S2-P0
|
NER205-16-S2-P1
|
NER205-16-S2-P2
|
|
NER205-20-S2-P0
|
NER205-20-S2-P1
|
NER205-20-S2-P2
|
|
NER205-25-S2-P0
|
NER205-25-S2-P1
|
NER205-25-S2-P2
|
|
NER205-35-S2-P0
|
NER205-35-S2-P1
|
NER205-35-S2-P2
|
|
NER205-40-S2-P0
|
NER205-40-S2-P1
|
NER205-40-S2-P2
|
|
NER205-50-S2-P0
|
NER205-50-S2-P1
|
NER205-50-S2-P2
|
|
NER205-70-S2-P0
|
NER205-70-S2-P1
|
NER205-70-S2-P2
|
|
NER205-100-S2-P0
|
NER205-100-S2-P1
|
NER205-100-S2-P2
|

行星減速機在工業機械領域是個常客。比如:如火如荼的新能源汽車行業。行星齒輪減速機在新能源汽車領域有廣泛的應用,主要包括以下方面:驅動系統:它可以幫助調節電機的轉速和扭矩,提高動力傳遞效率。制動系統:在再生制動時,起到輔助調節的作用。轉向系統:為轉向機構提供精準的動力支持。如果想了解更多有關行星減速機的,請打開鏈接http://www.vem2.com/jsj/xxjsj/ 或者直接撥打我們首席技術人員13113069953(黃工)微信同號哦。



