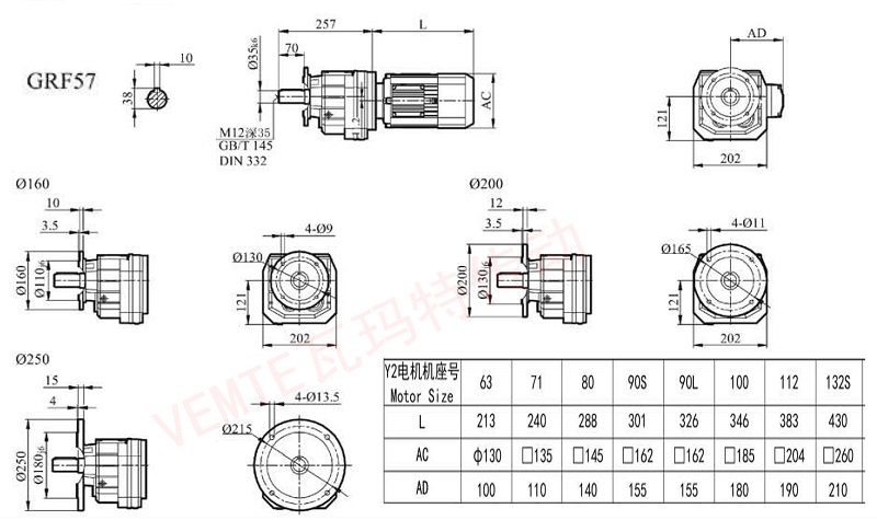
RF57立式安裝的硬齒面減速機的選型和保養如下:
RF57減速電機選型:
需要確定以下參數:
(1)輸出轉速和輸出扭矩:根據實際應用需求,確定所需的輸出轉速和輸出扭矩。
(2)功率:根據實際應用需求,確定所需的功率。
(3)減速比:根據實際應用需求,確定所需的減速比。
(4)安裝方式:根據實際應用場景,選擇立式或臥式安裝。
(5)使用環境:考慮使用環境是否潮濕、高溫、腐蝕性等因素,選擇適合的減速機型號。
| RF57YVB63M4 | RF57DM63M4 | RF57DS63M4 | RF57DVE63M4 | RF57DE63M4 | RF57AG63M4 |
| RF57YVB71M4 | RF57DM71M4 | RF57DS71M4 | RF57DVE71M4 | RF57DE71M4 | RF57AG71M4 |
| RF57YVB80M4 | RF57DM80M4 | RF57DS80M4 | RF57DVE80M4 | RF57DE80M4 | RF57AG80M4 |
| RF57YVB90M4 | RF57DM90M4 | RF57DS90M4 | RF57DVE90M4 | RF57DE90M4 | RF57AG90M4 |
| RF57YVB100M4 | RF57DM100M4 | RF57DS100M4 | RF57DVE100M4 | RF57DE100M4 | RF57AG100M4 |
| RF57YVB112M4 | RF57DM112M4 | RF57DS112M4 | RF57DVE112M4 | RF57DE112M4 | RF57AG112M4 |
| RF57YVB132M4 | RF57DM132M4 | RF57DS132M4 | RF57DVE132M4 | RF57DE132M4 | RF57AG132M4 |
保養:
(1)定期檢查:定期檢查伺服電機減速機的外觀是否有損壞或松動的部件,如有發現應及時修復或更換。同時檢查減速機的潤滑狀況,確保潤滑良好。
(2)潤滑油的更換和添加:根據減速機的使用情況和制造商的建議,選擇適當的潤滑油。按照規定的時間間隔更換潤滑油,并確保添加足夠的潤滑油以保持正常的潤滑效果。在更換和添加潤滑油時,應注意排出舊油,并清潔潤滑油箱和濾芯。
(3)防止超載:避免超載使用減速機,以避免設備損壞或失效。
(4)正確安裝:在安裝和使用過程中,要按照說明書的要求正確安裝和使用,避免因為安裝不當導致設備損壞或失效。




