R67F減速機 R67FAM RM67同軸式斜齒輪減速機頭詳細信息/Detailed Information
R67F減速機 R67FAM RM67同軸式斜齒輪減速機頭
減速機型號:R67 RF67 R67F RM67 RZ67 RX67 RXF67
電機 功率:0.12KW-7.5KW
輸入 轉速:500-2800RPM
單機 扭矩:5-600N·M
單機 速比:1.4-199.81比
輸出 轉速:0.6-1000rpm/min
斜齒輪傳動,傳動效率95%
交 期:1-10天
訂購熱線:13528634927
R67F是底腳法蘭安裝斜齒輪減速機
R67FAM是AM法蘭輸入底腳法蘭安裝的斜齒輪減速機
RM67是B5法蘭帶有加長軸承箱的法蘭安裝斜齒輪減速電機
R67F,R67FAM,RM67系列齒輪減速機主要由模具鑄件、焊接零件組成,其中模具鑄件主要采用HT250增強型灰鑄鐵材料,拉力強,耐磨性好,縮短了輪軸的使用壽命;軸承座采用鑄鋼材料,具有良好的抗磨損性;軸承、燈盤等采用鋼材,具有良好的韌性、耐磨性和強度。減速器主要機構部件是斜齒輪、軸承和其它五金配件,均選用優質鋼材加工而成,其主要材質包括45鋼、40Cr、20CrMnTi和40NiCrMo等。減速機采用斜齒-齒輪傳動結構,齒輪采用45鋼鍛制而成,具有較好的磨損性和抗拉強度;軸承座采用鑄鋼材質,具有良好的抗磨損性;軸承采用鋁合金或鋼材,具有良好的耐磨和抗拉性能;其余五金件采用45鋼、40Cr或40NiCrMo制成,具有較好的抗磨損性、耐磨性和強度。
R67F,R67FAM,RM67系列減速機配上電機之后可以形成下面的型號,不同廠家的型號表示方式之間有差異,具體型號可咨詢客服了解
| R67F-Y0.12-4P | RM67Y63M4 | R67FAM63M4 |
| R67F-Y0.18-4P | RM67Y71M4 | R67FAM71M4 |
| RM67YVP132S | R67FAM112M4 | R67F-YBEJ3-4P |
| RM67YVP132M | R67FAM132S | R67F-YBEJ4-4P |
| RM67Y90S4 | R67F-Y0.37-4P | RM67YVP100L |
| RM67YVP90L4 | R67F-Y0.55-4P | RM67YVP112M4 |
| R67F-Y0.25-4P | RM67Y80M4 | R67FAM80M4 |
| R67FAM90L4 | R67F-YBEJ5.5-4P | R67FAM90S4 |
| R67FAM100L | R67F-YBEJ7.5-4P | R67F-YBEJ1.5-4P |
| R67F-Y0.75-4P | R67FAM132M | R67F-YBEJ2.2-4P |

R67F減速齒輪箱能做的減速比如下:
4.29比,4.93比,5.70比,6.27比,7.36比,7.97比,8.7比,10比,11.54比,12.70比,14.91比,15.79比,17.95比,19.89比,23.44比,26.72比,28.13比,28.83比,32.27比,37.50比,39.88比,46.29比,51.56比,56.89比,61.26比,69.75比,74.17比,86.11比,95.91比,105.83比,113.94比,128.97比,137.67比,158.14比,184.07比,199.81
如果您需要的速比不在上述的范圍內,您可以選擇組合的形式形成大速比傳動,或者是咨詢VEMTE選型技術人員,讓他們給您選型。
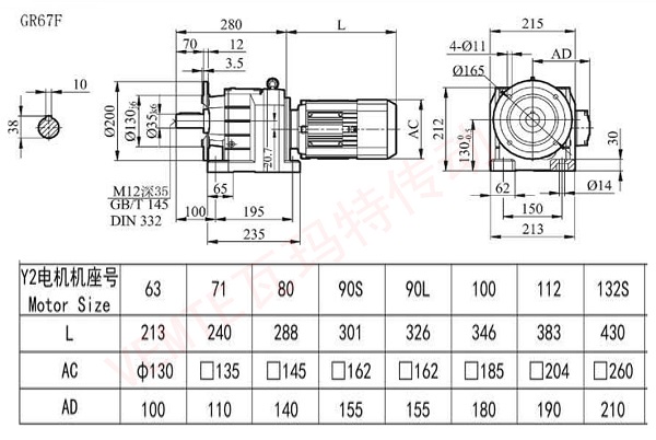
下面是R67F斜齒輪減速機通用的安裝尺寸圖紙,若您需要三維圖或非標圖紙請聯系客服

與R67F減速機匹配的三相異步電機在使用的后期應該怎么進行保養呢?
1.經常檢查電機的絕緣強度,如果電阻值降低應及時更換絕緣材料,以確保其安全性和使用壽命。
2.定期檢查電機的損壞情況,如果發現有軸承、內部結構、定子、轉子等損壞,一定要及時維修或更換新的件。
3.保持電機的清潔,定期用軟布將電機表面上的灰塵擦拭掉,可以有效防止磨損。
4.正確的使用和安裝電機,應避免突然的負載變化、和過載操作,這些操作會對電機壽命造成負面影響。
5.定期檢查電機的絕緣強度,每三個月或者每一次拆修檢查電機絕緣強度,一旦絕緣強度降低,即及時更換新的絕緣材料。

更多的同軸斜齒輪減速器型號請點擊→R系列減速機
購買須知:我司VEMT品牌所有系列產品,標準常用的,倉庫均備有現貨2000臺左右,非常用的需排單定做,請聯系客服咨詢貨期。凡購買我司品牌VEMT系列產品,不分價格高低,兩年內免費維修,免費換新。兩年后免費維修,只收取零件成本費用,包含海外以及港澳臺區域。因各種設備企業對產品的要求標準不同,如果您的設備是出口的,請告知客服轉接我司VEMT工程部,告知您的高標準,我們VEMT工程部會為您量身定做百分百符合要求的產品。
跟此產品相關的產品 / Related Products
祥如機電產品中心
Product Center
聯系祥如機電
全國咨詢熱線
13528634927
微信13528634927











