LHD諧波減速機詳細信息/Detailed Information
LHD諧波減速機
減速機規格:LHD諧波減速機
減速機型號:LHD14 LHD17
減速機比數:對應比數
減速機可配電機:對應功率
應用范圍:機器人,分割器代替的場所。
關鍵詞:LHD型諧波減速機,LHD14關節減速機,LHD17諧波減速器,機器人諧波減速機
LHD諧波減速機特點:LHD系列柔輪為翻邊型超短筒結構,既可采用剛輪端固定,柔輪端輸出的連接方式使用;也可采用柔輪端固定,剛輪端輸出的連接方式使用。超薄結構,軸向長度約縮短了50%。
LHD諧波減速機組裝事項:
由于組裝時的錯誤,在運轉時可能發生振動、異響等,請嚴格遵守下述注意事項實施組裝。波發生器的注意事項:請在組裝時避免向波發生器軸承部位施加過度的力??赏ㄟ^使波發生器旋轉順暢地實施插入;使用無歐式連軸節結構的波發生器時,請特別注意把中心偏移。歪斜的影響控制在推薦值內。柔輪的注意事項:確認安裝面的平坦度是否良好,是否有歪斜;確認螺釘孔部是否隆起,有殘余毛邊或有異物嚙入;確認是否對殼體組裝實施了倒角加工以及避讓加工,以避免與柔輪干涉;朝安裝用螺栓孔插入螺栓時,確認螺栓孔的位置是否正確,是否由于螺栓孔歪斜加工等原因致使螺栓與柔輪發生接觸,使螺栓旋轉變沉重;請不要次性按照規定轉矩擰緊螺栓,請先使用約為規定轉矩1/2的力,實施暫時擰緊,然后再按照規定轉矩擰緊;確認與剛輪組合時,是否存在極端的單側嚙合,發生單側偏移。剛輪的注意事項:確認安裝面的平坦度是否良好,是否有歪斜;確認螺釘孔部是否隆起,有殘余毛邊或有異物嚙入;確認是否對殼體組裝實施了倒角加工以及避讓加工,以避免與剛輪干涉;朝安裝用螺栓孔插入螺栓時,確認螺栓孔的位置是否正確,是否由于螺栓孔歪斜加工等原因致使螺栓與剛輪發生接觸,使螺栓旋轉變沉重;請不要次性按照規定轉矩擰緊螺栓,請先使用約為規定轉矩1/2的力,實施暫時擰緊,然后再按照規定轉矩擰緊;確認與剛輪組合時,是否存在極端的單側嚙合,發生單側偏移;向剛輪打銷子可能造成旋轉精度低下,因此請盡可能避免。
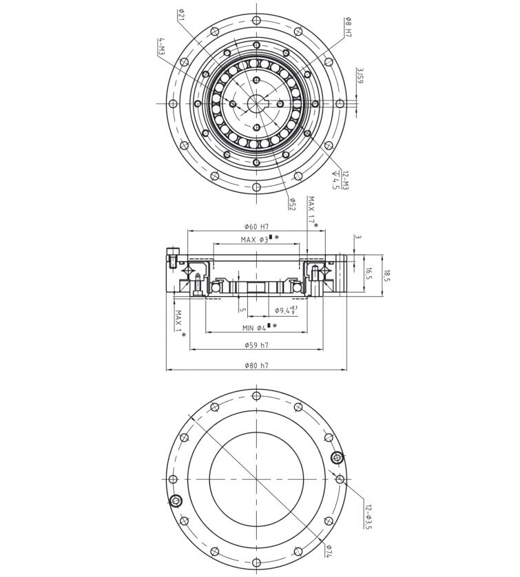
LHD諧波減速機圖片:(此圖由VEMT推廣部人員上傳,請以實物圖為準,可撥打電話15818497138獲取實物圖)
LHD諧波減速機參數:查看其他諧波減速機型號,請點擊鏈接:http://m.sdluoxuanguan.com/guanjiejiansuji.html
購買須知:我司VEMT品牌所有系列產品,標準常用的,倉庫均備有現貨2000臺左右,非常用的需排單定做,請聯系客服咨詢貨期。凡購買我司品牌VEMT系列產品,不分價格高低,兩年內免費維修,免費換新。兩年后免費維修,只收取零件成本費用,包含海外以及港澳臺區域。因各種設備企業對產品的要求標準不同,如果您的設備是出口的,請告知客服轉接我司VEMT工程部,告知您的高標準,我們VEMT工程部會為您量身定做百分百符合要求的產品。
跟此產品相關的產品 / Related Products
聯系祥如機電
全國咨詢熱線
13528634927
微信13528634927











