R57減速機 R系列斜齒輪減速電機 RX57 RXF57 RF57詳細信息/Detailed Information
R57減速機 R系列斜齒輪減速電機 RX57 RXF57 RF57
減速機型號:R57 RX57 RF57 RXF57
電機 功率:0.12KW-132KW
輸入 轉速:710-1400RPM
減速機扭矩:3.5-18000N/M
減速機比數:1比-24000比
輸出轉速范圍:0.8-700RPM
r57減速機_r系列減速器_rf57減速機_rxf57減速箱
R57減速機-安裝方式
底座安裝、法蘭安裝、扭力臂安裝。減速電機減速比:基本型二4.3-25.3,三28.2-273,組合至18509。基本型二輸入輸出旋轉方向相同,三相反;組合時另咨詢。輸出方式:空心軸輸出或實心軸輸出。平均效率:二96%、三94%、平均效率85%。
R57減速機-使用條件:
環境溫度-40至50°C(0°C以下啟動時潤滑油需加熱到0°C以上或采用防凍潤滑油);
輸入轉速不大于2800轉/分;
可用于正反轉;
無行業限制。
R57減速機-輸入版型
直聯電機輸入
AM(IEC)法蘭輸入
AD軸輸入
R57減速機-特點:
此R系列減速機采用了系列化、模塊化的設計,傳動比覆蓋范圍廣、分精細;
傳動效率高,耗能低,性能優越;
齒輪經高精度磨齒機磨削加工,傳動平穩,噪音低,承載能力大,壽命長;
設計精巧,體積小,安裝簡便,用途廣泛;
安裝方式多樣,適合全方位的能安裝配置;
可實現R系列減速機、F系列減速機、K系列減速機、S系列減速機與RF系列雙聯體組合,適用于特殊低速的應用。
R57減速機-基本版型
RX57底腳安裝斜齒輪減速機
RXF57底腳安裝單斜齒輪減速機
R57法蘭安裝單斜齒輪減速機
RF57法蘭立式安裝斜齒輪減速機
R57F法蘭臥式安裝斜齒輪減速機
RZ57法蘭安裝斜齒輪減速機
R57減速機圖片:(此圖由VEMT推廣部人員上傳,請以實物圖為準,可撥打電話0769-85992468獲取實物圖)
R57減速機-主要材料:
箱體:HT250高強度鑄鐵,射型內腔,有效減少零件磨損;
齒輪:20CrMo優質合金鋼,碳氮共滲處理(精磨后保持齒面硬度HRC60);
平鍵:45鋼,表面硬度HRC50。
R57減速機-效率:
采用了高精度齒輪、油封、軸承,有效降低了摩擦,齒輪傳動的間小路可達97%;
在某些安裝方式時,輸入齒輪完全浸再潤滑油中,對于大機座號和高輸入轉速的情況,須考慮攪油損失。
R57減速機-型號:http://m.sdluoxuanguan.com/rxiliejiansuji.html 點擊鏈接,獲取其他R系列型號安裝尺寸圖紙
R57減速機-尺寸圖紙:

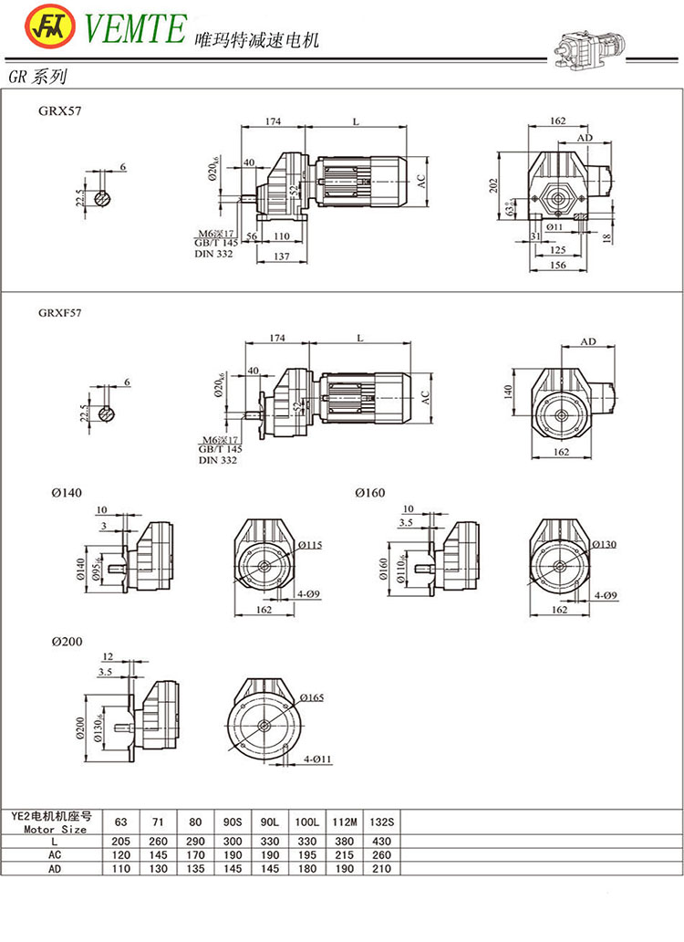
RX57減速機-尺寸圖紙:

購買須知:我司VEMT品牌所有系列產品,標準常用的,倉庫均備有現貨2000臺左右,非常用的需排單定做,請聯系客服咨詢貨期。凡購買我司品牌VEMT系列產品,不分價格高低,兩年內免費維修,免費換新。兩年后免費維修,只收取零件成本費用,包含海外以及港澳臺區域。因各種設備企業對產品的要求標準不同,如果您的設備是出口的,請告知客服轉接我司VEMT工程部,告知您的高標準,我們VEMT工程部會為您量身定做百分百符合要求的產品。
跟此產品相關的產品 / Related Products
聯系祥如機電
全國咨詢熱線
13528634927
微信13528634927











